Vòng bi tự điều chỉnh Nachi/Self-aligning Ball Bearings Nachi
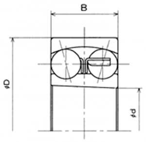
Vòng bi tự điều chỉnh có rãnh vành ngoài được làm thành hình cầu, vành trong có gắn bi có thể nghiêng tự do.
Có thể căn chỉnh sai số khi lắp (Không khớp trục) và lệch trục.
Thường được ứng dụng vào máy điều hòa không khí và băng tải
- Mô tả
- Order guide
- Đánh giá (0)
Mô tả
ƯU ĐIỂM VÀ CẤU TẠO:

Có thể tính điều tâm, thích hợp khi sử dụng để tránh độ nghiêng và lệch trục.
Chịu tải thấp (đặc biệt là tải trọng hướng trục)
trong trường hợp phải chịu tải lớn, tùy vào những model sản phẩm mà sẽ sử dụng Lồng polyamide.
Đang cập nhật...



Đánh giá
Chưa có đánh giá nào.